Заявка на подписку:

a.suhodolova@panor.ru

По всем вопросам звоните:

+7 495 274-22-22

Выполнение расчетной схемы каркаса с учетом жесткости узлов

Д. А. Морозов ведущий инженер ООО «КМ-ЦЕНТР», 603000 Н. Новгород, Нижегородский район, Короленко, 29, dmitry.al.morozov@gmail.com

В данной статье показан пример выполнения расчетной схемы каркаса с учетом жесткости узлов.

ВВЕДЕНИЕ

Конструктивная схема каркаса принята рамной, в которой несущая способность и жесткость каркаса в поперечном и продольном направлениях обеспечивается за счет жесткости узлов соединения стоек модульного здания с панелями перекрытия.

Расчет конструкций выполнен с помощью лицензионного сертифицированного проектно-вычислительного комплекса SCAD Office 21.1.9.11. Статический расчет каркаса выполнен в линейной постановке.

Для расчета принята пространственная конечно-элементная модель (КЭМ). Конечно-элементная модель представляет собой сложную пространственную систему, состоящую из конечных элементов типа «универсальный пространственный стрежень» – тип конечного элемента №5. Конечно-элементная модель повторяет геометрию и жесткостные характеристики конструкций каркаса.

Статический расчет узла выполнен в программе IDEA StatiCa 21.1 в нелинейной постановке.

ОПРЕДЕЛЕНИЕ ЖЕСТКОСТИ СТЫКОВОЧНЫХ УЗЛОВ ЭЛЕМЕНТОВ СТОЕК МОДУЛЬНОГО ЗДАНИЯ С ПАНЕЛЯМИ ПЕРЕКРЫТИЯ

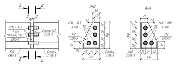
Угловые элементы панелей перекрытий жестко соединены с горизонтальными балками. Вертикальные стойки крепятся к угловым элементам четырьмя болтами М16 через угловые фланцы толщиной 12 мм. Геометрические характеристики узла представлены на рис. 1. Общий вид расчетной модели узла представлен на рис. 2.

Рис. 1. Геометрические характеристики узла

Рис. 2. Общий вид расчетной модели узла

Значения угловой жесткости узла в направлениях действия изгибающих моментов My и Mz определяются в программе IDEA StatiCa 21.1.

В случае, если узел не симметричный и момент может возникать в обоих направлениях, то жесткость определяется в двух направлениях My+ и My, аналогично Mz+ и Mz. Если момент действует в одном направлении, то и знак должен ему соответствовать.

По каждому направлению отдельно задается условный изгибающий момент (в примере 5 кН∙м), достаточный программе для вычисления жесткости. При необходимости, можно и линейную жесткость определить (вдоль элемента).

Определение вращательной жесткости узла представлено на рис. 3–6.

Рис. 3. Определение вращательной жесткости узла по направлению Му+

Рис. 4. Определение вращательной жесткости узла по направлению Му–

Рис. 5. Определение вращательной жесткости узла по направлению Мz+

Рис. 6. Определение вращательной жесткости узла по направлению Мz–

Результаты по определению вращательной жесткости узла сведены в табл. 1.

РАСЧЕТ КАРКАСА С УЧЕТОМ ЖЕСТКОСТИ СТЫКОВОЧНЫХ УЗЛОВ ЭЛЕМЕНТОВ СТОЕК МОДУЛЬНОГО ЗДАНИЯ С ПАНЕЛЯМИ ПЕРЕКРЫТИЯ

Полученные коэффициенты угловой жесткости узла задаются в расчетную схему в SCAD Office как жесткости шарниров по направлению действия моментов Му и Мz.

Рис. 7. Задание жесткости шарниров

В несимметричных узлах необходимо следить за соответствием значения угловой жесткости направлению действия момента. При большом количестве одинаковых узлов и действии изгибающих моментов в обоих направлениях, принимается среднее значение угловой жесткости.

В результате статического расчета с учетом жесткости узлов, необходимо проверить требования первой группы предельных состояний (прочность и устойчивость элементов каркаса) и второй группы предельных состояний (уточненные перемещения от действия нормативных нагрузок не превышают предельно допустимых).

Так же необходимо проверить прочность узлов на действие уточненных расчетных сочетаний усилий:

Значения расчетных сочетаний усилий при максимальных изгибающих моментах в узлах крепления стоек представлены в табл. 2.

ПРОВЕРКА ПРОЧНОСТИ СТЫКОВОЧНЫХ УЗЛОВ ЭЛЕМЕНТОВ СТОЕК МОДУЛЬНОГО ЗДАНИЯ С ПАНЕЛЯМИ ПЕРЕКРЫТИЯ

Полученные сочетания усилий при действии максимальных изгибающих моментов в узлах крепления стоек задаются в расчетную схему узла в программе IDEA StatiCa 21.1.

Определение прочностных характеристик узла представлено на рис. 8–11.

Рис. 8. Определение прочности узла от сочетания усилий при действии максимального изгибающего момента Му+

Рис. 9. Определение прочности узла от сочетания усилий при действии максимального изгибающего момента Му–

Рис. 10. Определение прочности узла от сочетания усилий при действии максимального изгибающего момента Мz+

Рис. 11. Определение прочности узла от сочетания усилий при действии максимального изгибающего момента Мz-

Результаты определения прочностных характеристик узла сведены в табл. 3.

ВЫВОДЫ

1. Представленная методика позволяет разрабатывать расчетные схемы и проектировать несущие каркасы с полужесткими узлами в случаях, когда нет возможности применять систему вертикальных связей и стандартные жесткие узлы для обеспечения пространственной жесткости каркаса.

2. Необходимо выполнить проверки прочности и жесткости узлов при действии уточненных усилий.

3. Необходимо проверить, что уточненные максимальные горизонтальные перемещения стоек каркаса здания, не превышают допустимого значения.

Язык статьи:
Действия с выбранными: